Wow, I started that fad 20 years ago and it's still going strong! Yeah me!Go browse OT on RiggedTalk and that basically all you will see..
Fake accounts vacillating between agreeing with each other, then arguing and insulting each other. Flip-flopping their own opinions every other day. All done to manufacture drama and site traffic.
![]()
I've got a Fuchs Lucky 7 MkII and a 4 Aces, both of the Blackjack series. Not a lot of clean headroom but their clean channels are quite fine. The overdrive is typical of a mid 1980s Dumble ODS, which is something I love. Both feature a simplistic but extremely good effects loops.
Poor Andy has to compete with his own success these days. There's a lot of used amps available.
Here is my 4 watter. The bottom has a 12" Neo Creamback.
Except that many Dumble circuits were "gooped" so the components were not visible or accessible...There are sites dedicated to nothing but cloning Dumble circuits..
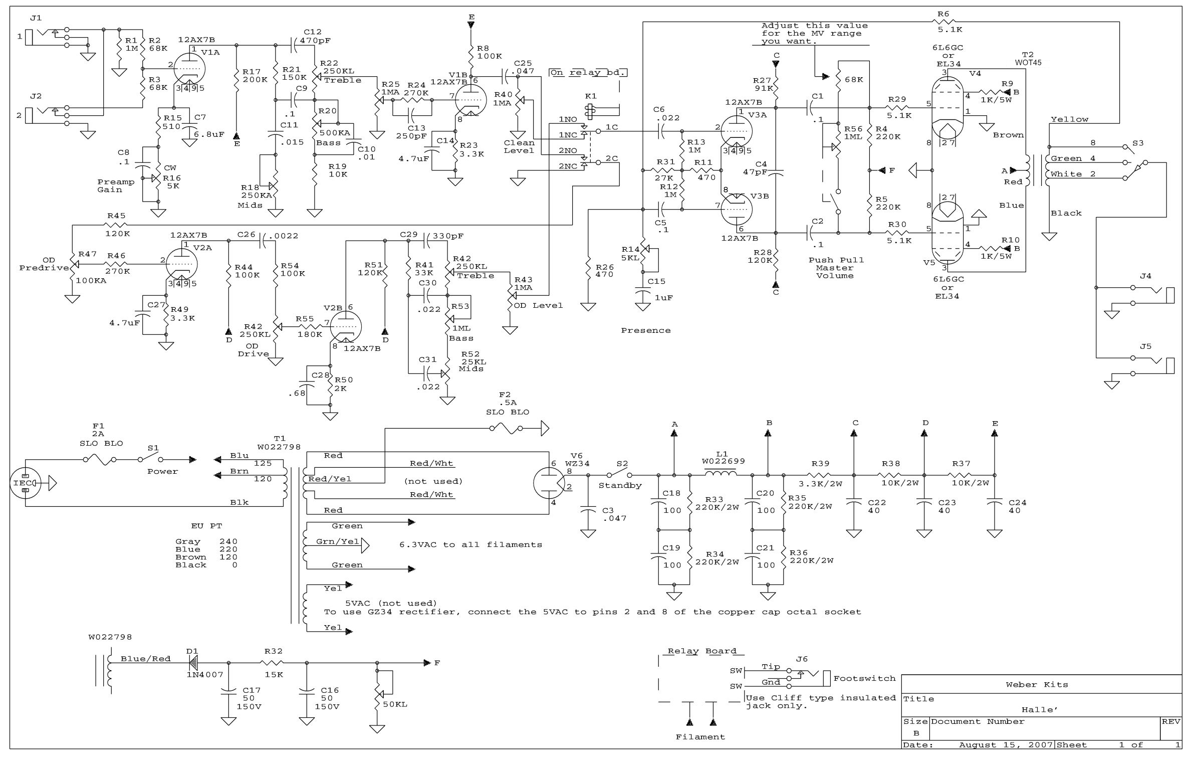
It ain't witchcraft.. it's audio circuit design
![]()
![]()
Except that many Dumble circuits were "gooped" so the components were not visible or accessible...
Howard used construction-grade room-temperature vulcanization silicone to stabilize components - in the preamp section almost exclusively.Except that many Dumble circuits were "gooped" so the components were not visible or accessible...

Is this the whole thing? Looks to be a non-HRM version?Folks de-gooped them long ago to find out what AD was trying to hide.
![]()
Like that has stopped anyone.Except that many Dumble circuits were "gooped" so the components were not visible or accessible...
Howard used construction-grade room-temperature vulcanization silicone to stabilize components - in the preamp section almost exclusively.
It's twue! It's twue!It's the crystal lettuce.
![]()
I don't get the Dumble thing because I can't afford to spend $250,000 on an amp....Or more specifically, I don't get why Dumble clones are several grand more than most other types of amps.
I was listening to That Pedal Show where they were able to play Robben Ford's real Dumble amp, which prompted this thread.
I've played a couple of Dumble style amps but no idea what specific Dumble model they were based on. I've also played the Dumble in the Axe-Fx 3 as well as all the other Dumble-like amps in the Fractal.
To me Dumbles when clean sound basically like Fenders with a lot more midrange emphasis. When overdriven, they start to take a character more like a Bassman or Marshall. I have nothing against the sound, when done well they sound very nice, but not in some different category that you couldn't get out of much more pedestrian amps with some choice pedals.
Yet somehow these amps, and clones of them, have become almost mythical as if there's something so magic about them that warrants the prices asked. I'd say a lot of the "magic" is in the Celestion G12-65 speakers often paired with these amps.
There's probably at least 5 versions you'd have to try. All probably "worth" a quarter million each.I really would love to spend a couple hours on a couple of Dumbles to form an opinion.
Soo much second hand and outright bad information, there...
I'd almost rather not.I really would love to spend a couple hours on a couple of Dumbles to form an opinion.
Soo much second hand and outright bad information, there...
I really would love to spend a couple hours on a couple of Dumbles to form an opinion.
Soo much second hand and outright bad information, there...
I like the Robben Ford preset in Helix, with the litigator model. It captures his od sound pretty well I think.if u have a Helix u have Gramatico GSG, it's 1:1 if there is one